
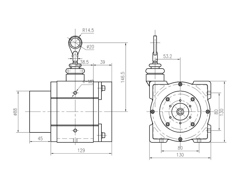
MS9005 series draw wire position sensor is the high-end product launched by KAISI,and its max measurement stroke is 5000mm.This product adopts large-diameter and multi-strand steel wire rope, and independent automatic winding spiral structure, which has completely eliminated the wire-stuck problem happened on imported products.And it is mainly applied for high precision,life long and harsh working environment, and has reached the leading level in the world and been able to replace the imported products
Stroke Range | 0-5000mm | Steel Rope | 1.2mm high flexibility steel rope |
Output Signal | Line Driver, Push-pull, Open Collector NPN/PNP, RS485/232, Absolute | Pulling Power of Outlet | 15N±5N |
Winding of Rope | Thread stepping automatic winding | Life | 2 millions to 10 millions |
Linearity | <0.05%FS | Working Voltage | 5V,5-24,10-30V |
Repeatability | 0.01% | Working Temperature | -25-85℃ |
Max Speed | 4000mm/s or customized | Hell Material | Aluminium Alloy with antistatic and nonconducting surface |
Circumference of Measuring Wheel | 333mm | Protection Ingress | IP54 |
Water-proof Outlet | oil | Dust-proof Outlet | Silicone dust mask |
1. As draw wire position sensor is high precision instrument, please no knocking when install, otherwise it will influence the quality and service life.
2. Make sure the connection is absolutely right, otherwise it will destroy the inner electric circuit.
3. Make sure the signal output and power supply cable is separated, also it is not suitable to use aside the distribution board.
4. Make sure the pulling end is vertical to the outlet, and keep the angle degree no more than 3°.
5. Make sure the distance and measurement stroke is no more than the measurement range of sensor from fixed pulling end to the initial position of movement components.
6. As it will break the wire and sensor itself, please do not let go the rope when it is pulled out by hand or machine.
7. Make sure the steel rope not destroyed by outside force.
8. Please insult KAISI protection outlet and housing, if working environment is outdoor or too bad(have dust or water).
Hotline:400-808-7117
Phone:0531-87984588 87989488 87985388 87985188 87985488
FAX:0531-87985177
Website:www.kaisisensor.com Email:kaisi@kaisisensor.com | cindytao@kaisisensor.com -1
Address:Huaiyin District, Ji'nan